产品
新闻
ENGLISH
培训视频
首页
关于我们
公司简介
荣誉资质
新闻中心
星翔新闻
行业新闻
产品中心
称重传感器系列
S型
桥式
平行梁式
悬臂梁式
柱式
轮辐式
称重仪表系列
汽车衡仪表
控制仪表
平台秤仪表
大屏幕系列
点阵式外显屏
数码管式外显屏
地磅接线盒系列
饲料塔称重系统
汽车衡/地磅系列
称重模块系列
工业秤系列
电子皮带秤
配料秤
定量包装秤
灌装秤
吊钩秤
装载机秤
叉车秤
屠宰秤/悬轨秤
称重式料位计
汽车衡无人值守系统
工业工程改造项目
其他产品
汽车衡租赁
汽车衡维修期保养搬迁
二手地磅收售
下载中心
产品说明书
台秤仪表系列使用说明书
吊钩秤仪表使用说明书
大屏幕说明书
接线盒系列使用说明书
控制仪表说明书
数字仪表说明书
测试仪表使用工具书
防爆仪表使用说明书
其他
产品资质二级分类
计量器具型式批准证书
型式批准证书二级分类
软件
联系我们
联系方式
留言板
联系我们
在线联系 >
服务热线
138-8499-5394
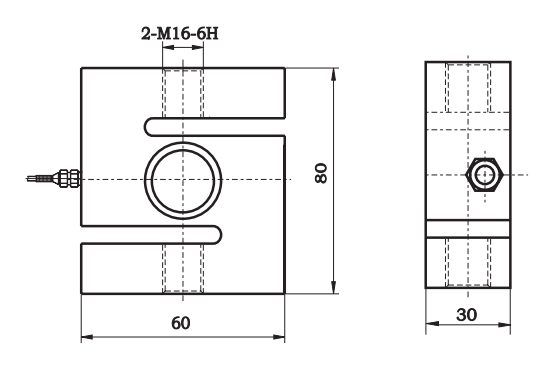
SS-528 S形称重传感器
首页
>
产品中心
>
称重传感器系列
>
S型
> SS-528 S形称重传感器
技术参数
产品尺寸